Thứ Năm, 24 tháng 3, 2016
Thứ Hai, 21 tháng 3, 2016
Thứ Hai, 14 tháng 3, 2016
Thứ Bảy, 12 tháng 3, 2016
Harman/kardon DVD 50 – Circuit Diagram – Disassembly - 5 Disc DVD Changer
Applicable Discs: 5-inch (12cm) or 3-inch (8cm) DVD-Movie, CD, Video CD, MP3-CD, HDCD, CD-R or CD-RW discs.
Region 1 DVD-Movie discsDVD: Single/Single Layer, Single Side/Dual Layer, Dual Side/Dual Layer
Linear PCM, Dolby Digital or DTS Audio
Video Signal System: NTSC
Composite Video Output: 1Vp-p/75 Ohms, sync, negative polarity
S-Video: Y/Liminace: 1Vp-p/75 Ohms, sync, negative polarity
C/Chrominance: 0.286Vp-p
Component Video Output: Y: 1Vp-p/75 Ohms, sync, negative polarity
Pr: 0.7Vp-p/75 Ohms
Pb: 0.7Vp-p/75 Ohms
Progressive Scan Output: Y: 1Vp-p/75 Ohms, sync, negative polarity
Pr: 0.7Vp-p/75 Ohms
Pb: 0.7Vp-p/75 Ohms
Analog Audio Output: HDCD: 2.0V RMS +/– 0.2V
Others: 1.0Vp-p RMS +/– 0.2V
Coaxial Digital Audio Output: 0.5Vp-p/75 Ohms
Frequency Response: 4Hz – 22kHz +/– 0.5dB (48kHz sampling)
AC Power: 100 – 240VAC 50/60Hz (Refer to back of the set.)
Power Consumption: 18 Watts
Power Consumption: 18 Watts
DISASSEMBLY
Tray Door
1.Eject the disc tray.
2.Lift up the tray door in the direction of the arrow.
1.Eject the disc tray.
2.Lift up the tray door in the direction of the arrow.
Front Panel
1. Eject the disc tray. (See Fig. 2-2)
2. Remove the tray door. (See Fig. 2-2)
3. Pull the front panel toward you while pressing
5 stoppers to disengage, and remove the front panel.
1. Eject the disc tray. (See Fig. 2-2)
2. Remove the tray door. (See Fig. 2-2)
3. Pull the front panel toward you while pressing
5 stoppers to disengage, and remove the front panel.
CIRCUIT BOARD DISASSEMBLY
[Before removing the main circuit board, be sure to shortcircuit the laserdiode output land. After replacing the main circuit board, open the land after inserting the flexible connector.]
Disassemble Main circuit board, Jack circuit board, Power circuit board and MD Ass'y DPM1.
1. Remove the top case.
2. Remove 10 screws (B).
3. Disassemble Main circuit board and Jack circuit board from Bracket Main.
4. Unscrew 3 screws(C) at Bracket Main.
5. Disassemble Bracket Main from Main chassis.
6. Unscrew 4 screws(D) at MD Ass'y DPM1.
7. Turn the portion the direction of arrow to move the Base Assembly Tray in front of you.
8. Release the other 3 screws(E).
9. Disassemble MD Ass'y DPM1 from Main chassis.
10. Unscrew 4 screws(F) at Power circuit.
11. Disassemble power circuit board from Main chassis.
Digitron and Key Circuit Board
1. Remove the front panel.
2. Release 5 screws (G), and remove the digitron circuit board.
Exploded view
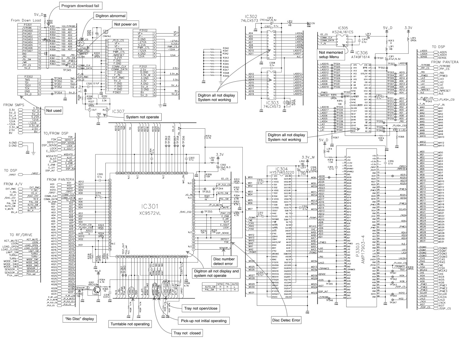
DVD DSP SCHEMATIC
DRIVE AND RF SCHEMATIC
PANTERA SCHEMATIC
MEMORY SCHEMATIC
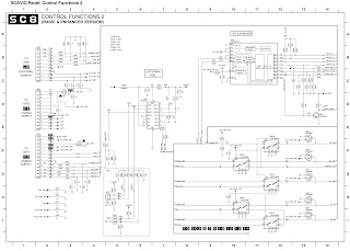
TIMER AND KEY SCHEMATIC
AV SCHEMATIC
AV JACK SCHEMATIC
Visit the previous post here to see the SMPS schematic
Click on the schematics to magnify
Thứ Tư, 9 tháng 3, 2016
Philips FM 23 - Plasma Display - Main board Schematic -1
Sync selection and source selection, Video selection and matrix, Video selection ADC, Video selection decoder, VGA input, Control functions-1 & 2
Sync Selection and Source Selection
Video selection and matrix
Video selection ADC
Video selection decoder
VGA input
Control functions-1
Control functions-2
Click on the schematics to magnify
Thứ Sáu, 4 tháng 3, 2016
AOC AL512 – AOC AL513 – 15 Inch TFT LCD monitor – Circuit diagram
DC-DC CONVERTER
This block provides adjustable output voltages of 9.2V, -6V, 18V and 3 to 4V for the panel. It consists of a Q114 transistor and power switch IC I108 (AIC 1526-1). When DC_ EN signal is high, then Q114 is activated and send one signal to activate I108. At this time I108 will send 200KHz 12V PWM to Q106, Which is connected with L111, Q106, D203 and C308, to boost 5V to 9.2V. And I108 offers the adjustable voltage of 3V to 4V. By sending out pulses from pin 2 and pin 16 of I108 to double voltage circuit consisting of C301, D201, D202 and C303, leaner regulator with Q105, would output –6V, 18V output id created, according to the rule of –6V creation.
This block provides adjustable output voltages of 9.2V, -6V, 18V and 3 to 4V for the panel. It consists of a Q114 transistor and power switch IC I108 (AIC 1526-1). When DC_ EN signal is high, then Q114 is activated and send one signal to activate I108. At this time I108 will send 200KHz 12V PWM to Q106, Which is connected with L111, Q106, D203 and C308, to boost 5V to 9.2V. And I108 offers the adjustable voltage of 3V to 4V. By sending out pulses from pin 2 and pin 16 of I108 to double voltage circuit consisting of C301, D201, D202 and C303, leaner regulator with Q105, would output –6V, 18V output id created, according to the rule of –6V creation.
Inverter
In order to drive the CCFLs embedded in the panel module; there is a ROYER inverter to convert to convert the input 12V up to hundreds of AC voltage output. The inverter is formed by symmetric, in order to drive the separate lamp modules.
The input stage consists of a PWM controller, buck choke, and switching MOSFET to convert DC input into AC output. The output stage consists of a tuning capacitor, transformer, push-pull transistor pair to boost ac output up to hundreds of voltage. And one resister is serial to lamp for output current feedback. A 5-pin connector is the only interface to control the inverter. Pin 1 is 12V input, Pin 2/4 is the returns, pin3 is the control of output current, and pin 5 is the enable/disable control.
In order to drive the CCFLs embedded in the panel module; there is a ROYER inverter to convert to convert the input 12V up to hundreds of AC voltage output. The inverter is formed by symmetric, in order to drive the separate lamp modules.
The input stage consists of a PWM controller, buck choke, and switching MOSFET to convert DC input into AC output. The output stage consists of a tuning capacitor, transformer, push-pull transistor pair to boost ac output up to hundreds of voltage. And one resister is serial to lamp for output current feedback. A 5-pin connector is the only interface to control the inverter. Pin 1 is 12V input, Pin 2/4 is the returns, pin3 is the control of output current, and pin 5 is the enable/disable control.
Audio Output
DC-DC converter
Panel Power
MCU
MVZ
Scalaring controller
MascotV scalar is a highly integrated solution that combines a high performance ADC with an advanced image processing controller. Using advanced image scaling algorithms, Mascot V has intelligently adaptive sub-algorithms that will automatically optimize the display quality for different images – the text is sharper and the graphics is smoother. The built-in analog interface includes a 160Mhz, 8-bit 3-channel ADC, preamplifier, and VGA, allowing seamless support to resolutions from VGA to XGA. MascotV also offers other integrated functions such as an internal OSD that supports all languages, and build-in line buffers that allows support to a wide range of LCD panels. The scalar implements four advanced display technologies:
1. Sampling RGB input signals by fully integrated triple-channel ADC, PLL, and pre-amplifier
2. Automatically calibrate for vertical and horizontal alignment to center display and phase calibration
3. High-quality advanced scaling: Enhanced and adaptive scaling algorithm for optimal image quality
4. One and two pixels per clock panel support: Up to 24 bits per pixel.
The panel interface consists of 48-bit panel data bus, Start Pulse(STH1) and Clock (CLKH), Polarity(POL)/Latch pulse(LP) for source driver IC, Start pulse(STV1) and Clock(CLKV) for gate driver IC, and Data inversion control(HMSO/HMSE) for odd/even pixel bus and the power supply (+3.2V, +3.45V<adjustable>,+9.2V, +18Vand-6V) for panel driver IC use.
MascotV scalar is a highly integrated solution that combines a high performance ADC with an advanced image processing controller. Using advanced image scaling algorithms, Mascot V has intelligently adaptive sub-algorithms that will automatically optimize the display quality for different images – the text is sharper and the graphics is smoother. The built-in analog interface includes a 160Mhz, 8-bit 3-channel ADC, preamplifier, and VGA, allowing seamless support to resolutions from VGA to XGA. MascotV also offers other integrated functions such as an internal OSD that supports all languages, and build-in line buffers that allows support to a wide range of LCD panels. The scalar implements four advanced display technologies:
1. Sampling RGB input signals by fully integrated triple-channel ADC, PLL, and pre-amplifier
2. Automatically calibrate for vertical and horizontal alignment to center display and phase calibration
3. High-quality advanced scaling: Enhanced and adaptive scaling algorithm for optimal image quality
4. One and two pixels per clock panel support: Up to 24 bits per pixel.
The panel interface consists of 48-bit panel data bus, Start Pulse(STH1) and Clock (CLKH), Polarity(POL)/Latch pulse(LP) for source driver IC, Start pulse(STV1) and Clock(CLKV) for gate driver IC, and Data inversion control(HMSO/HMSE) for odd/even pixel bus and the power supply (+3.2V, +3.45V<adjustable>,+9.2V, +18Vand-6V) for panel driver IC use.
Đăng ký:
Nhận xét (Atom)




















































