Sanyo C21LF41, Sanyo C21LF41B.
PhilcoPF2127, PF2107, PS2117.
NisatoTVZ2001M.
Stell Home SHT212F.
Diplomatic GMTV114M, GMTV210M, GMTV12.
Noblex 14TC669,20TC670, 21TC671F, 21TC672F, 21TC674.
PhilcoPF2127, PF2107, PS2117.
NisatoTVZ2001M.
Stell Home SHT212F.
Diplomatic GMTV114M, GMTV210M, GMTV12.
Noblex 14TC669,20TC670, 21TC671F, 21TC672F, 21TC674.
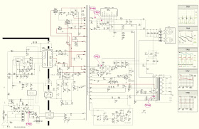
Used ICs: QXXAVC570 = STR-W6753, SE130NH, LA78040N / B / E, LA42032E, CXA2234QP,QXXAVC890 = LA76931ADE58S / E
SMPS split
Full circuit diagram































